Запасные части ЧТЗ Запасные части ЧТЗ
Нижний Новгород
Например:
Актобе
Алдан
или
Выбрать автоматически
Актобе
Алдан
Алматы
Алчевск
Архангельск
Астана
Астрахань
Атырау
Баку
Балашиха
Барнаул
Белгород
Бердянск
Бишкек
Владивосток
Владикавказ
Воркута
Воронеж
Горловка
Грозный
Донецк
Екатеринбург
Иваново
Ижевск
Иркутск
Казань
Калининград
Каменск-Уральский
Караганда
Каховка
Кемерово
Киров
Комсомольск-на-Амуре
Костанай
Краснодар
Красноярск
Красный луч
Ленск
Луганск
Магадан
Магнитогорск
Макеевка
Махачкала
Мелитополь
Минск
Мирный (Якутия)
Москва
Мурманск
Нерюнгри
Нижневартовск
Нижний Новгород
Нижний Тагил
Новая каховка
Новокузнецк
Новосибирск
Новый Уренгой
Норильск
Ноябрьск
Нур-Султан
Омск
Оренбург
Ош
Павлодар
Пермь
Петрозаводск
Петропавловск
Петропавловск-Камчатский
Псков
Ростов-на-Дону
Салехард
Самара
Санкт-Петербург
Саратов
Севастополь
Семей
Симферополь
Сочи
Ставрополь
Сургут
Сыктывкар
Тараз
Ташкент
Токмак
Томск
Тында
Тюмень
Ульяновск
Усинск
Усть-Каменогорск
Уфа
Хабаровск
Ханты-Мансийск
Херсон
Челябинск
Чита
Шымкент
Экибастуз
Энергодар
Южно-Сахалинск
Якутск
Ваш город
Нижний Новгород
Войти
Запасные части к тракторам на одном сайте
+7 (932) 303-00-10
+7 (932) 303-00-10
г. Нижний Новгород, Московское шоссе, д. 52
Пн-Пт: 9:30-18:30 Cб-Вс: Выходной
Отправить заявку


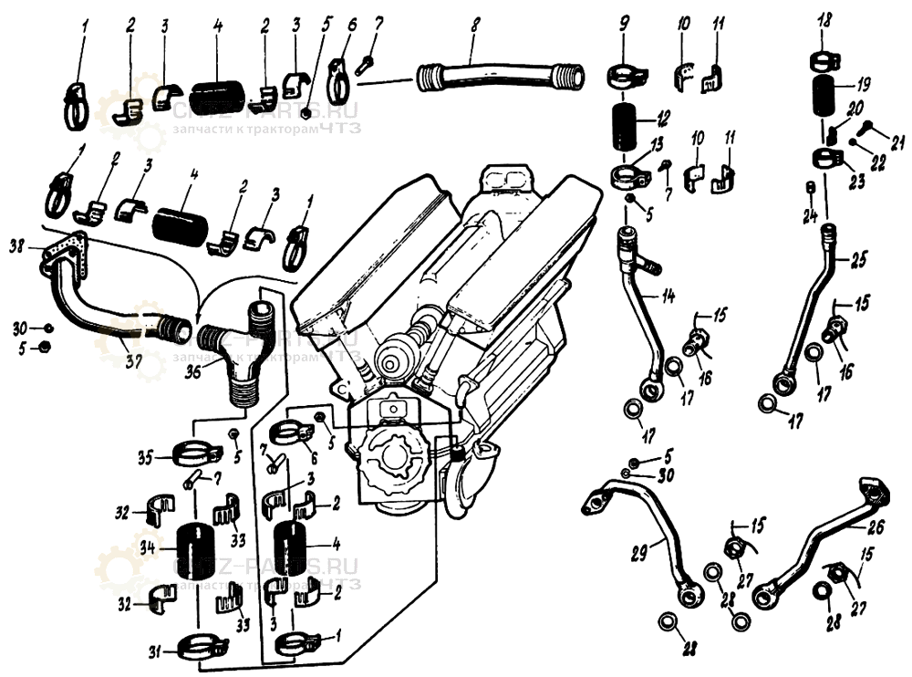
Трубопровод водяной на В-46-6


/
с НДС 20%
Описание
Трубопровод водяной на В-46-6
# Номер запчасти Наименование детали Кол-во в сборке Вес, кг
Сб.3321-00-16 Трубопровод водяной 1
1 Сб.321-04-4 Хомут 8 0,071
2 3321-168 Обойма 8 0,015
3 3321-170 Обойма 8 0,008
4 321-20 Шланг 4 0,12
5 351-02 Гайка М8 15 0,0055
6 321-16-4 Лента хомута 8 0,04
7 321-17-2 Болт хомута 12 0,026
8 Сб.3321-149 Труба средняя 1 0,746
9 Сб.421-18-1 Хомут 2 0,062
10 3321-213 Обойма 2 0,011
11 3321-214 Обойма 2 0,011
12 3321-09-1 Шланг 1 0,063
13 421-17 Лента хомута 1 0,03
14 Сб.3321-114-3 Труба подогрева верхняя левая 1 0,445
15 354-22 Проволока стопорная 4
16 320-63-1 Зажим 2 0,115
17 355-13 Кольцо 22х30 4 0,24
18 Хомут 2 0,064
19 3321-105 Шланг 1 0,05
20 421-48-1 Накладка 2 0,008
21 321-17-3 Болт хомута 2 0,017
22 353-04-2 Шайба чистая 6 2 0,0009
23 3321-08-3 Лента хомута 2 0,03
24 321-18-2 Гайка 2 0,009
25 Сб.3321-111-4 Труба подогрева верхняя правая 1 0,315
26 Сб.421-26Д Труба подогрева нижняя правая 1 0,422
27 412-35-1 Гайка глухая 2 0,025
28 355-10 Кольцо 24х30 4 0,2
29 Сб.421-32-2А Труба левая 1 0,436
30 353-24 Шайба 8Т 3 1,638
31 Сб.421-04-3 Хомут 2 0,071
32 3321-169 Обойма 2 0,016
33 3321-171 Обойма 2 0,01
34 421-20 Шланг 1 0,135
35 421-16-2 Лента хомута 2 0,045
36 3321-24-2 Тройник 1 0,425
37 Сб.3321-121-3 Труба водяная левая 1 1,009
38 3321-146 Прокладка 1 0,012
Трубопровод водяной