Запасные части ЧТЗ Запасные части ЧТЗ
Нижний Новгород
Например:
Актобе
Алдан
или
Выбрать автоматически
Актобе
Алдан
Алматы
Алчевск
Архангельск
Астана
Астрахань
Атырау
Баку
Балашиха
Барнаул
Белгород
Бердянск
Бишкек
Владивосток
Владикавказ
Воркута
Воронеж
Горловка
Грозный
Донецк
Екатеринбург
Иваново
Ижевск
Иркутск
Казань
Калининград
Каменск-Уральский
Караганда
Каховка
Кемерово
Киров
Комсомольск-на-Амуре
Костанай
Краснодар
Красноярск
Красный луч
Ленск
Луганск
Магадан
Магнитогорск
Макеевка
Махачкала
Мелитополь
Минск
Мирный (Якутия)
Москва
Мурманск
Нерюнгри
Нижневартовск
Нижний Новгород
Нижний Тагил
Новая каховка
Новокузнецк
Новосибирск
Новый Уренгой
Норильск
Ноябрьск
Нур-Султан
Омск
Оренбург
Ош
Павлодар
Пермь
Петрозаводск
Петропавловск
Петропавловск-Камчатский
Псков
Ростов-на-Дону
Салехард
Самара
Санкт-Петербург
Саратов
Севастополь
Семей
Симферополь
Сочи
Ставрополь
Сургут
Сыктывкар
Тараз
Ташкент
Токмак
Томск
Тында
Тюмень
Ульяновск
Усинск
Усть-Каменогорск
Уфа
Хабаровск
Ханты-Мансийск
Херсон
Челябинск
Чита
Шымкент
Экибастуз
Энергодар
Южно-Сахалинск
Якутск
Ваш город
Нижний Новгород
Войти
Запасные части к тракторам на одном сайте
+7 (932) 303-00-10
+7 (932) 303-00-10
г. Нижний Новгород, Московское шоссе, д. 52
Пн-Пт: 9:30-18:30 Cб-Вс: Выходной
Отправить заявку


Насос масляный НМШ на Т-130


/
с НДС 20%
Описание
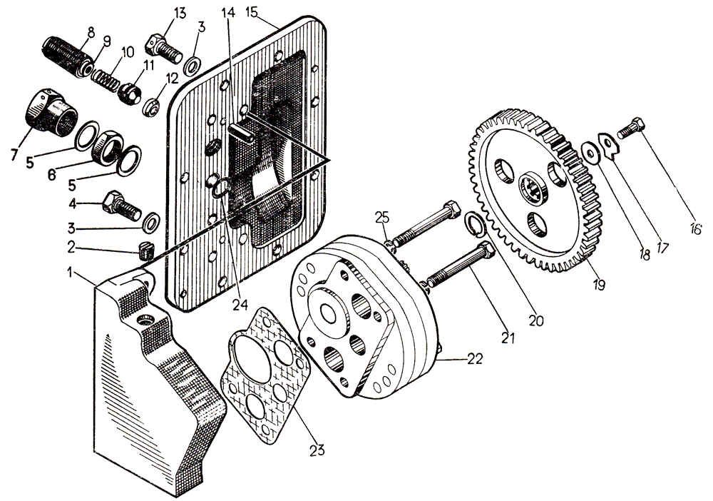
Насос масляный 50-60-199СП на Т-130
# Номер запчасти Наименование детали Кол-во в сборке
50-60-199СП Насос масляный 1
1 50-60-212 Корпус 1
2 371 Пробка КГ ¼" 1
3 40920 Кольцо 6
4 Болт М12×25.58.019 4
5 700-40-260-15 Прокладка 2
6 3069 Гайка 1
7 700-41-2399 Гайка 1
8 50-60-209 Стержень 1
9 700-31-2353 Шайба 2
10 38347 Пружина 1
11 18-60-66 Клапан 1
12 18-60-63 Кольцо 1
13 28598 Болт 1
14 32231 Штифт 2
15 50-60-205 Фланец 1
16 Болт М8×20.58.019 1
17 31366 Шайба стопорная 1
18 31365 Шайба 1
19 50-60-208 Шестерня 1
20 700-58-2439 Кольцо 1
21 Болт М10×70.58.019 4
22 Насос НМШ-25 1
23 700-40-6199 Прокладка 1
24 Кольцо 018-022-25-2-2 1
25 Шайба 10ОТ 65Г 09 4
Насос масляный НМШ